
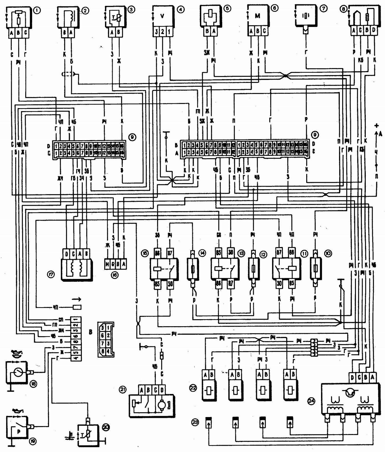
| Таблица 9-1 Адреса проводов в колодке, соединяющейся со жгутом проводов панели приборов |
Таблица 9-2 Назначение предохранителей системы впрыска |
||||
| № штекера | Цвет провода | Адрес (назначение) | Предохранитель | Защищаемые цепи | |
|
1 2 3 4 5 6 7 8 |
СП ГП ЖЧ Г Ж ЧБ 3 Б |
К клемме «15» выключателя зажигания К спидометру К маршрутному компьютеру (сигнал расхода топлива) К указателю температуры охлаждающей жидкости К контрольной лампе давления масла К контрольной лампе «CHECK ENGINE» К блоку бортовой системы контроля К тахометру |
10 (черная) |
Датчик массового расхода воздуха. Датчик концентрации кислорода. Датчик скорости. Клапан адсорбера. Контроллер. Модуль зажигания. Реле включения электробензонасоса (контакты). Бензонасос ваз 2111. Форсунки. |
|